JQHSY-10*24糖心VLOG官方在线观看(遠程控製)

  • 產品名稱: JQHSY-10*24糖心VLOG官方在线观看(遠程控製)
  • 產品分類: 陸地油氣係列糖心VLOG官方在线观看
  • 聯係方式: 0535-6902720
  • 公司名稱: 煙台糖心LOGO原创视频石油機械有限公司
  • 公司地址:山東省煙台市萊山區捷愛斯路29號
  • 添加時間: 19/12/24
產品詳情
詢盤

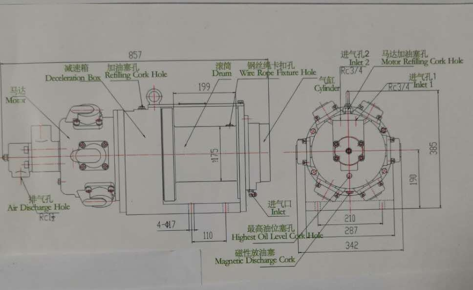
       JQHSY-10×24糖心VLOG官方在线观看(遠程控製),產品特點:實用性強,特別適應於雪雨、高潮濕、易爆、易燃、天氣等各種惡劣的工作環境。體積小、重量輕、噪聲低、易於搬運和快速安裝。起動扭矩大,可以帶載起動,可實現正反轉。操作簡單、快捷,機動性強,運行靈活可靠。
       采用壓縮空氣為動力,推動TMH4活塞式糖心成人网站工作。通過二級齒輪減速,把扭矩傳給滾筒。該糖心VLOG官方在线观看還具有停車刹車功能,為了保證糖心VLOG官方在线观看的安全性。適合海上、陸地油田鑽井二層平台上拖拉鑽杆及套管之用。糖心VLOG官方在线观看的操縱,是靠馬達體上的手操縱轉向閥實現正轉、反轉、停止等項動作。


型號Type

JQHSY-10x24

1

壓縮空氣力(MPa)Pressure of compressed air(MPa)

0.6-0.7

2

額定牽引率(Kn)Pated tractionforce (kN)

5

3

鋼絲繩速度(m/min) Wire rope velocity (m/min)

48

 

4

 

氣動機

Pneurnatic

Motor

額定功率(Kw)Rated power(Kw)

4

氣缸數(個)Cyinder number(piece)

6

氣缸直徑(mm)Cyinder diameter(mm)

65

耗氣量(L/S)Air consurnption(L/S

130

 

 

5

 

Drum

滾筒

數量(個) Number(piece)

1

直徑(mm)Diameter(mm)

175

寬度(mm)Wicdth(mm)

198

輪緣直徑(mm) Wheel rimdiamter(mm)

290

容繩量(m)Rope content(m)

120

6

鋼絲繩直徑(mm)Wire

8

7

進氣管直徑 iniet diameter(mm)

20

7

外形尺寸

overall dimension

長(mm)  length(mm)

867

寬(mm)  wicth(mm)

342

高(mm)  Height

440

9

 

重量(Kg) Weight

126

10

 

遠程控製距離

6-15





更新時間:19/12/24 15:33:12  

備案號:魯ICP備91735353號-1

城市分站:主站   重慶   北京   天津   上海   河北   山西   遼寧   吉林   江蘇   浙江   安徽   福建   山東   河南   湖北   湖南   

網站地圖 | 免責聲明

網站地圖